THE APPLICATION OF BUILDING INFORMATION MODELING (BIM) IN THE EASE OF ELECTRICAL INSTALLATIONS WITH THE USE OF ALTOQI BUILDER.
REGISTRO DOI: 10.69849/revistaft/ar10202510220824
Autor: Renan Santos Lobato
Orientador: Ilmar Reis
Resumo
Modelagem da Informação da Construção é uma solução inovadora para o desenvolvimento de projetos em construções civil. Abordando o AltoQi Builder, uma plataforma da AltoQi com ambiente único para modelagem e dimensionamento de acordo com as normas brasileiras, além disso, pode ser integrado com as demais disciplinas de projeto BIM. O QiBuilder possibilita a aplicação da metodologia BIM para projetos, com importação e exportação de arquivos IFC, DWG e entre outros modelos BIM (como uma de suas plataformas, nela o projetista é capaz de criar o sistema elétrico em uma planta baixa com formato (DWG 2D ou IFC com visão 3D e modelo 2D da planta baixa), em todas as suas etapas de projetos, a plataforma vem com o foco de facilitar o desenvolvimento de instalação assim como prever custos e prevenir erros. O objetivo principal desse trabalho é mostrar a facilidade em instalações elétricas com o QIBuilder e mostrar como pode ser útil para realização de projetos elétricos.
Palavra-Chave: AltoQi Builder; prevenir erros; prever custo.
1 Introdução
Neste trabalho o AltoQi Builder surge como uma plataforma BIM especializada em projetos de instalações elétricas, oferecendo vários recursos e funcionalidades para otimizar e facilitar o processo de concepção, analise e execução desses sistemas em edifícios residências, comerciais e industriais. Contribuindo para a visualização projeto com vista em 3D da edificação, permitindo fazer alterações na planta baixa e a extração de quantitativos e colaborando para seu desenvolvimento, essa plataforma permite fazer tudo que for relacionado a elétrica como baixa ou alta
tensão, assim também a plataforma desenvolve ferramentas necessárias para fazer a climatização, lógica, Hidrossanitário, hidráulica, incêndio, SPDA (Sistema de Proteção contra Descargas Atmosféricas) e entre outros. A plataforma fornece detalhadamente a lista de matérias, legendas e erros do projeto abordado. Além dessas finalidades o QIBuilder indica melhorias caso o projetista tenha dificuldade com o desenvolvimento da instalação. Com foco de mostrar a facilidade em instalações usando essa plataforma, esse trabalho irá demostrar o passo a passo de uma instalação elétrica em um edifício e mostrar um pouco da capacidade do QIBuilder.
Objetivo
Explorar as características e funcionalidades que contribuem para facilitar e simplificar tarefas complexas. Para isso, uma residência será modelada através do QIBuilder, como dimensionamento de condutores, distribuição de circuitos e análise de desempenho, destacando sua importância na melhoria da qualidade, segurança e sustentabilidade das instalações elétricas em edificações.
Objetivo específicos:
- Demostra agilidades em tarefas complexas como dimensionamento de condutores.
- Realizar distribuição de circuitos e análise de desempenho.
- Reduzir o tempo necessário para a conclusão de projetos elétricos.
- Prever custo de instalações elétricas instaladas.
- Corrigir erros ocasionados de maneira inesperada pelo engenheiro no momento de usar as ferramentas necessárias.
Justificativa do Projeto
Motivo 1:
“O AltoQi Builder simplifica e agiliza tarefas complexas, como dimensionamento de condutores, distribuição de circuitos e análise de desempenho em projetos elétricos.
Isso permite que os projetistas realizem suas atividades de forma mais eficiente, reduzindo significativamente o tempo necessário para concluir os projetos.”
Motivo 2:
Através de uma demonstração prática da plataforma, é possível observar como o AltoQi Builder não apenas simplifica tarefas complexas de projetos elétricos, mas também oferece recursos avançados. Por exemplo, a plataforma tem a capacidade de prever o custo das instalações elétricas propostas na planta baixa do projeto. Além disso, ela se destaca ao corrigir eventuais erros de dimensionamento cometidos pelo engenheiro.
Esses recursos são essenciais para o projeto IMPRENSA, uma empresa localizada em Manaus. Ao aplicar os conceitos da plataforma neste projeto específico, que demanda um projeto elétrico para iluminação e TUG’s, buscamos não apenas simplificar o processo de design, mas também garantir precisão e eficiência na execução. O objetivo final é otimizar tanto o tempo quanto os recursos investidos, proporcionando soluções elétricas de alta qualidade para atender às necessidades específicas da empresa IMPRENSA.
2 REVISÃO BIBLIOGRÁFICA
2.1 História
O conceito de Building Information Modeling (BIM) introduziu a ideia de armazenar e compartilhar informações do projeto em um único arquivo, acessível a qualquer momento, representando digitalmente o modelo geométrico juntamente com dados de cada componente. Embora o conceito de BIM tenha surgido há décadas, ainda não há uma definição amplamente aceita. O BIM propõe uma abordagem para construção inteligente em um ambiente tridimensional, com objetos que possuem características únicas e paramétricas. Por exemplo, uma janela não é apenas um conjunto de linhas em um formato específico, mas um objeto definido para essa finalidade.
Quando introduzido no mercado brasileiro, o BIM era predominantemente utilizado nas fases iniciais de projetos de arquitetura, substituindo o CAD. No entanto, conforme observado por Faria (2007), ainda é prematuro abandonar completamente o CAD, pois ele serve como base para os programas de projetos em BIM. De acordo com o SINAECO (2018), apenas 9,2% das empresas de construção no país incorporam o uso de softwares BIM em suas atividades diárias.
Metodologia
A seguir, apresentaremos a implantação da plataforma QIBuilder, organizada em três etapas distintas. Demonstraremos como a plataforma é capaz de gerar previsões de custo, além de mostrar como ela previne erros cometidos pelo elaborador (Engenheiro), culminando no resultado de um projeto desenvolvido com o uso de uma das plataformas da AltoQI.
O projeto em foco foi para uma empresa em Manaus, que solicitou um projeto elétrico para iluminação e TUG’s (Tomadas de Uso Geral). A pedido do cliente, foram instalados dois quadros de distribuição no ambiente para facilitar o desligamento por pavimento.
Através desta apresentação, buscamos destacar não apenas a eficiência e praticidade da plataforma QIBuilder, mas também os benefícios tangíveis que ela proporciona em projetos reais, como o mencionado projeto para a empresa em Manaus. Vamos explorar cada etapa da implementação da plataforma e seus impactos positivos no processo de design elétrico.”
Resultados e Discussão
Primeira parte do projeto irei mostrar a entrada de serviço, aonde no software é necessário colocar ela para elaborar a legenda de fiação.

Após a entrada de serviço ser lançada, aonde o AL1 é a entrada de serviço que é diretamente do poste, o QM1 que é o quadro de medição e a legenda de fiação que está a mostra é porque o projeto já foi “processado” que significa que já foi feito a ligação dos condutores, lâmpadas, tomadas e quadros. Na imagem a cima também mostra a bitola do cabo de 35mm junto com a legenda três fase e um neutro e dois cabos de 1 polegadas para passagem de fiação.
No programa temos a opção gerar quadro de cargas, é gerado o quadro de cargas de certo ponto, o quadro de carga do AL1 mostra o pavimento do QM1, potência, sessão mm do condutor, potência em Watt, tensão e outros.


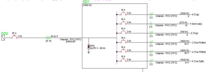
Podemos ver quadro AL1 que mostra circuito com esquemas, tensão (220/127) e as variações onde no seu final mostra se tem algum empecilho.
Percebe-se Quando se da o comando para iniciar o programa o Quadro de Cargas demonstrar a fiação elaborada no QIBuilder, podemos ver na figura o “Status” onde diz que está tudo “OK”, se acaso aparecer a palavra “ERRO” ao invés de “OK”, significa que a distribuição não foi ajustada, pode se dizer que algum Eletroduto esteja “entupido” porque está passando vários condutores ali dentro, ele então indica ‘ERRO’ pois pode causa um possível incêndio.

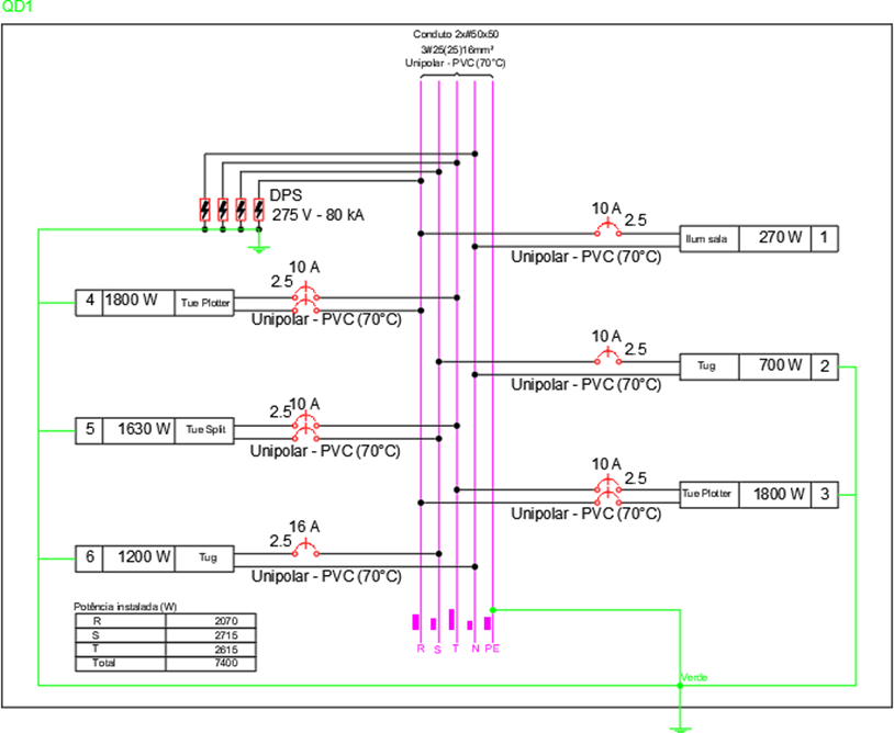
O primeiro pavimento da imprensa foi a sala de Plotter, e foi sugerido que houvesse um quadro de distribuição apenas para essa área, notem que foi lançado a iluminação e algumas tomadas de uso especifico, foi colocado duas tomadas de uso especifico para plotter de alta tensão.
Foi distribuído 6 lâmpadas LED, quadro de distribuição no pavimento, duas tomadas de uso especifico, uma de ar-condicionado e 4 tomadas de uso geral, para bebedouro computadores, celulares e entre outros. Notem que foi advertido a potência de cada tomada para não acabar tendo sobrecargas nos circuitos.

Aqui conseguimos ver claramente o quadro de distribuição relacionado apenas na sala PLOTTER, notem que conseguimos ver o DPS, ligação do aterramento, potência de disjuntor, largura da bitola do cabo. Também podemos ver melhor no diagrama unifilar.

Com os detalhamentos específicos do projeto abordado, também conseguimos ter a legenda da fiação, que é para saber quais condutores estão passando ali naquela legenda, na figura 3 mostra que tem uns números nos eletrodutos, esses números também podem ser observados conforme legenda de fiação na Figura 6.

Logo depois o dimensionamento dos condutores, eletrodutos, tug’s, iluminação, o QIBuilder permite gerar em forma de planilha a Lista de Materiais, nela é possível fazer o levantamento do que for necessário na hora da instalação. Na Figura 7, abaixo, mostra uma parte da lista de materiais gerada da empresa Imprensa.

Após ser lançado o quantitativo dos materiais que serão necessários para o projeto, caso o projetista tenha errado algum dimensionamento, o Software tem a opção “dimensionar condutos” para verificar os elementos lançados, podendo acusar o excesso de qualquer item, possibilitando corrigir erros de elaborações elétricas, desta forma prevenir excesso de sobrecorrentes nos dispositivos.
Determinada a lista de matérias através do programa, finalmente chegamos na parte financeira do projeto, porque a partir daí é possível fazer todo o levantamento orçamentário de acordo com a quantidade de itens propostos na lista, proporcionando prever a parte financeira com mais precisão.
Portanto, o uso da plataforma QIBuilder na forma de projetar com mais eficiência e eficaz, faz com que o projetista escolha de que maneira a parte elétrica “será conduzida na rede de distribuição em determinado edifício”.
Conclusão
O Uso do software facilita no desenvolvimento e otimização de diversos processos no mesmo projeto, auxiliando o projetista ter precisão na indicação dos conjuntos de dimensões de um objeto, proporcionando ter planos mais precisos.
Como seguimento no universo BIM a plataforma QiBuilder possibilitou a esse projeto as premissas do termo para que foi desenvolvido pela AltoQi, observando desde a introdução ou inclusão dos elementos no sistema, ao levantamento quantitativo facilitando a parte orçamentária.
De acordo com o tema desenvolvido foi possível mostrar a facilidade de uso, previsão de matérias e erros caso o projetista cometa erros ao inserir ou até mesmo no dimensionamento na hora que estiver fazendo o projeto, logo, na plataforma é possível detectar a capacidade de condução de corrente, queda de tensão e proteção contra sobrecarga, assim como, possibilitou gerar de imediato a lista de matérias, mostrando a facilidade de uso.
Neste projeto a empresa IMPRENSA, localizada em Manaus, teve seu projeto assinado e aceito pela empresa SEINFRA, o projeto completo mostra toda lista de materiais e o quadro de cargas, caso tenha errado nos circuitos do quadro de distribuição, ou seja, é possível verificar se o Status está OK ou ERRO, a plataforma avisa o erro lançado, caso não tenham os DPS ou o Disjuntor geral o software sinaliza um ponto vermelho no local demostrando que algo está errado, faltando ou está tudo certo.
Portanto, a capacidade de obter um projeto elétrico com precisão e pronto para implementação economizando tempo, mais produtividade e mais bem definidas é utilizando a plataforma QiBuilder.
Referencias
https://comunidade.altoqi.com.br/tudo-o-que-voce-precisa-saber/#oqueebim https://comunidade.altoqi.com.br/tudo-o-que-voce-precisa-saber/ https://altoqi.com.br/builder https://www.monografias.ufop.br/bitstream/35400000/1938/1/MONOGRAFIA_Compara%C3%A7%C3%A3oMetodologiasProjeto.pdf https://repositorio.ifg.edu.br/bitstream/prefix/1080/1/TCC_Raissa%20Cristina_Tainara%20Santos.pdf
https://www.idd.edu.br/downloads-idd/?tcc=172
História do altoQI
https://education.altoqi.com.br/institucional/sobre-a-empresa#:~:text=Nossa%20hist%C3%B3ria&text=Por%20este%20motivo%20a%20AltoQi,%2C%20el%C3%A9trica%2C%20hidr%C3%A1ulica%20e%20cad.
https://suporte.altoqi.com.br/hc/pt-br/articles/115009879307
criação de um novo projeto
https://suporte.altoqi.com.br/hc/pt-br/articles/360015831293
fonte de acesso como baixar o qibuilder
https://suporte.altoqi.com.br/hc/pt-br/articles/115007728387
