REGISTRO DOI: 10.69849/revistaft/ch10202511261436
Giovani Pereira da Silva
Augusto Perez de Andrade
Fabiana Florian
RESUMO
Este trabalho descreve o desenvolvimento de um sistema de automação industrial para contar e controlar o transporte de garrafas, usando um Controlador Lógico Programável (CLP) Siemens S7-1500 e o ambiente TIA Portal V17. O projeto cobre toda a estrutura lógica do processo, incluindo o programa principal OB1, as funções FC1 e FC2, o bloco padronizado FB1, bancos de dados específicos e um tipo de dado estruturado chamado UDT_MOTOR. A função FC1 é responsável por processar os sinais dos sensores de entrada e saída, realizando contagens incrementais, decrementais, totalizações e identificando perdas no fluxo das garrafas. A FC2 gerencia três transportadores independentes: o M1, que cuida da entrada das garrafas; o M2, que faz o transporte intermediário na área da máquina; e o M3, responsável pela saída do processo. Cada um deles possui regras específicas para ligar, parar, fazer o selo, além de permissivos e supervisão de falhas. O uso do bloco FB1 ajuda a padronizar o funcionamento dos motores, garantindo um controle mais uniforme e facilitando a manutenção. A estrutura modular adotada torna o código mais claro, fácil de expandir e alinhado às boas práticas de automação industrial. O estudo mostra que usar CLPs Siemens nesses processos produtivos é viável e eficiente, oferecendo confiabilidade, controle preciso e maior flexibilidade operacional.
Palavras-chave: Automação Industrial; CLP Siemens; TIA Portal; Contagem de Garrafas; Controle de Motores; S7-1500; Ladder; FB; FC; Banco de Dados.
1 INTRODUÇÃO
O crescimento da demanda por eficiência e qualidade nas operações industriais tem impulsionado a implementação de tecnologias automatizadas nas linhas de produção. No setor de envase, que é amplamente utilizado nas indústrias alimentícias e de bebidas, um dos principais desafios operacionais é a detecção de falhas, como a queda ou o posicionamento errado de latas durante o processo. Esses problemas comprometem a eficácia da produção, acarretando desperdício de materiais e aumentando o risco de contaminações ou interrupções inesperadas.
A utilização de sensores indutivos em conjunto com Controladores Lógicos Programáveis (CLPs) aparecem como uma solução prática e eficiente. Os sensores indutivos conseguem identificar objetos metálicos sem necessidade de contato, enquanto os CLPs processam os dados recebidos, tomando decisões automaticamente para garantir maior confiabilidade nas operações. Essa combinação de tecnologias é parte da transição para a Indústria 4.0, onde sensores e controladores se conectam em redes de máquinas e sistemas inteligentes que conseguem responder em tempo real (AZEVEDO, 2018).
Ao avaliar os processos de envasamento industrial, é perceptível uma falha na identificação automática e precisa das latas que caem, levando a desperdícios e a uma diminuição da eficiência. Apesar de haver tecnologias disponíveis, muitas indústrias ainda operam com um baixo nível de automação e enfrentam dificuldades ao integrar sensores a sistemas inteligentes, o que limita a obtenção dos benefícios esperados da Indústria 4.0 (MATOS; SCHEIDT, 2018).
Este estudo tem como objetivo principal desenvolver um sistema que monitore e contabilize as latas que caem durante o processo de envase em uma indústria na região de Araraquara-SP, utilizando sensores indutivos e Controladores Lógicos Programáveis (CLPs). Resultados esperados e a criação de um sistema funcional baseado em automação industrial, na análise de sua viabilidade em ambientes de produção reais e na sugestão de melhorias com base nos dados coletados após a implementação do sistema. O protótipo será capaz de identificar e contabilizar automaticamente as latas caídas, ajudando a minimizar perdas, aumentar a produtividade e controlar a qualidade do processo.
Será realizado pesquisa bibliográficas sobre sensores e CLPs para esse tipo de monitoramento, a principal questão da pesquisa é como podem os sensores indutivos e os controladores lógicos programáveis ser empregados para monitorar e contabilizar as latas que caem durante o processo de embalagem de maneira eficaz?
A hipótese desta pesquisa é que a união de sensores indutivos com controladores lógicos programáveis permitirá o desenvolvimento de um sistema eficaz que detecta e contabiliza as latas caídas, contribuindo de forma considerável para a melhoria do processo produtivo. Confirmar essa hipótese em um ambiente simulado ou real ajudará a validar a eficácia da solução, avaliar os resultados alcançados e identificar áreas que podem ser aprimoradas.
Será feita uma revisão da literatura, em seguida, um protótipo do sistema de monitoramento será fabricado, incorporando sensores indutivos, um controlador lógico programável (preferencialmente da linha Siemens ou Rockwell com módulo de relés) e uma configuração simulada de uma linha de envase. A programação do sistema será realizada em linguagem ladder, e testes práticos serão executados para medir a capacidade do sistema em detectar e contar as latas que caem. Os dados coletados serão analisados considerando a precisão, a rapidez de resposta e a reprodutibilidade do sistema. A pesquisa será realizada em um laboratório de automação industrial, utilizando softwares de simulação e ferramentas de medição.
O desenvolvimento do projeto irá seguir um plano de ação estruturado em etapas: pesquisa bibliográfica sobre automação industrial, sensores e CLPs; escolha dos componentes e montagem do sistema em um ambiente simulado ou real; programação do CLP; realização de testes práticos e análise dos dados obtidos; e elaboração do relatório final com a discussão dos resultados e considerações finais.
2 REVISÃO BIBLIOGRÁFICA
Esta sessão, são apresentados os conceitos principais que envolvem a automação industrial, focando na aplicação de sensores indutivos e Controladores Lógicos Programáveis (CLPs) no processo de envase, com ênfase em como esses dispositivos ajudam a identificar e contabilizar falhas, como quedas de latas. Também serão abordados os benefícios de integrar esses dispositivos em sistemas automatizados e sua relevância na era da Indústria 4.0, auxiliando na minimização de desperdícios e no aumento da eficiência produtiva.
2.1 Automação no Processo de Envase
A automação industrial se tem mostrado crucial para melhorar a eficiência e a confiabilidade nas linhas de produção. No ramo de alimentos e bebidas, particularmente, a agilidade e a exatidão no envase dos produtos exigem soluções que minimizem erros humanos e garantam a uniformidade do processo.
O envase automatizado possibilita o controle preciso de fatores como volume, duração da operação, integridade das embalagens e rastreabilidade. A inclusão de sensores e CLPs nesse contexto facilita a identificação em tempo real de problemas, como o desalinhamento ou a queda de embalagens, que podem afetar a eficácia da produção.
Conforme mencionado por Azevedo (2018), a Indústria 4.0 propicia o desenvolvimento de redes inteligentes entre dispositivos, onde os CLPs desempenha um papel central no processamento das informações provenientes de sensores e atuadores, favorecendo decisões ágeis e eficientes em ambientes industriais.
2.1.1 Problemas no Envase: Queda de Latas
Um dos grandes obstáculos nas linhas de envase de latas é a gestão de quedas acidentais. Esse dilema afeta diretamente a produtividade, causa danos físicos tanto aos produtos quanto às máquinas, além de representar um risco de contaminação.
O método manual de detecção de quedas é não apenas impreciso, mas também sobrecarrega os operadores e prolonga o tempo de resposta. A automação desse tipo de verificação através de sensores possibilita um monitoramento contínuo, eliminando a necessidade de intervenção humana direta e permitindo a coleta de dados para análises futuras.
Segundo Matos e Scheidt (2018), a implementação de tecnologias automatizadas para monitorar falhas operacionais reduz perdas e melhora a confiabilidade dos processos, fornecendo apoio crucial nas decisões e na manutenção preditiva.
2.2 Sensores Indutivos
Os sensores indutivos são dispositivos amplamente empregados em ambientes industriais para a detecção de objetos metálicos sem necessidade de contato físico. Sua utilização é especialmente eficaz em esteiras transportadoras, onde há uma constante circulação de latas metálicas.
Esses sensores funcionam emitindo campos eletromagnéticos que, quando interrompidos por um objeto metálico, resultam em mudanças que são detectadas e interpretadas como eventos. Essa tecnologia proporciona respostas rápidas, elevada durabilidade e resistência a condições adversas, como poeira, umidade e vibrações.
2.2.1 Aplicações no Monitoramento de Linhas
Em sistemas de envase, os sensores indutivos são instalados em locais estratégicos na linha de produção para assegurar que as latas sejam movimentadas corretamente. Se uma lata cai ou não é detectada pelo sensor, este envia uma notificação ao controlador lógico programável (CLP), que pode ativar alarmes, interromper a produção ou registrar a anomalia.
Essas configurações também podem ser utilizadas para contar itens, verificar presenças e sincronizar com outros sistemas. Devido à sua fácil instalação e manutenção, os sensores indutivos são uma opção acessível e eficiente para monitoramento no setor industrial.
2.3 Controladores Lógicos Programáveis (CLPs)
Os CLPs são dispositivos digitais criados para modernizar sistemas de controle que utilizavam relés, proporcionando flexibilidade e resistência. Eles podem ser programados, normalmente em linguagem ladder, e respondem com base nos sinais recebidos de sensores e botões.
Em um sistema que monitora latas, o CLP funciona como o centro de controle da operação, processando os sinais dos sensores indutivos e implementando lógicas de controle para contagem, registro e respostas a problemas.
2.3.1 Integração entre Sensores e CLP
A conexão entre sensores e CLPs é fundamental na automação contemporânea. O CLP decodifica os sinais dos sensores e aplica uma lógica que pode ser ajustada conforme as exigências do processo.
Para o monitoramento de latas que caem, o CLP pode acionar dispositivos sonoros ou visuais ao identificar falhas e também pode manter registros que ajudem na avaliação da eficiência da linha e na manutenção do maquinário.
Essa interligação é crucial para a implementação de sistemas de tomada de decisão fundamentados em dados concretos, em conformidade com o conceito de fábricas inteligentes na Indústria 4.0.
3. DESENVOLVIMENTO
O propósito deste estudo é apresentar um sistema automatizado que realiza o monitoramento e a contagem de latas que caem ao longo do processo de envase. Isso é feito por meio do uso de sensores indutivos e Controladores Lógicos Programáveis (CLPs). O objetivo deste sistema é reconhecer falhas operacionais com maior exatidão, aumentando a eficiência, a confiabilidade e o controle em ambientes industriais, especialmente nas linhas de produção que operam de forma contínua.
3.1 Metodologia
A abordagem utilizada neste projeto envolve a criação de uma lógica de controle baseada em CLPs, com simulação do processo realizado diretamente no TIA Portal utilizando o PLCSIM. Este sistema se baseia na leitura de sensores posicionados na entrada e na saída de uma máquina de envase, visando a detecção indireta de latas que possam ter caído ou que não completaram o percurso.
O processo começa com a definição do funcionamento esperado da linha de produção, seguido pela modelagem do cenário simulado e programação da lógica de controle no TIA Portal. Esta lógica considera a distância entre dois sensores indutivos (entrada e saída), que comporta uma quantidade fixa de latas (por exemplo, cinco unidades). Cada vez que o sensor de entrada (S1) detecta a passagem de uma nova lata, um contador é incrementado. Quando uma lata passa pelo sensor de saída (S2), esse mesmo contador é decrementado. O valor do contador, portanto, reflete a diferença entre o número de latas que entraram e as que saíram do sistema.
Esse método se inspira em sistemas de contagem que utilizam CLPs, frequentemente empregados na indústria, utilizando lógicas simples de incremento e decremento para controle do fluxo de itens (IJCIRAS, 2019). A principal vantagem dessa estratégia é que não necessita dividir a linha em seções fixas de produção, sendo assim ideal para processos contínuos.
Se a quantidade acumulada no contador exceder a capacidade máxima do trecho entre os sensores, considera-se que uma ou mais latas caíram ou não chegaram até a saída. Essa abordagem é simples, dinâmica e se adapta bem a linhas de envase com transporte contínuo.
3.2 Tecnologias e Ferramentas Utilizadas
A lógica está sendo desenvolvida com a plataforma TIA Portal, da Siemens, empregando a linguagem Ladder para a programação do CLP. Para a simulação do sistema, foi utilizado exclusivamente o TIA Portal em conjunto com o PLCSIM, que permite testar a lógica de controle por meio de variáveis simuladas representando os sensores indutivos e os sinais do processo. Dessa forma, é possível validar o comportamento do programa, observar a evolução das contagens e verificar o funcionamento das rotinas de falha diretamente no ambiente de simulação do CLP, sem necessidade de uma interface homem-máquina.A lógica será testada levando em consideração diferentes condições de operação, como variações de velocidade e espaçamento entre as latas.
3.3 Desafios Encontrados
Durante o desenvolvimento, foram identificados alguns desafios:
• Precisão temporal: a variação entre os tempos de detecção na entrada e na saída pode impactar o valor do contador, especialmente em altas velocidades.
• Ruídos na simulação: leituras duplicadas ou falhas na detecção de sensores simulados podem afetar a lógica.
• Limitação de espaço: é essencial conhecer com precisão a quantidade máxima de latas entre os sensores para evitar falsas contagens.
Esses desafios exigem ajustes cuidadosos nos temporizadores e nos filtros de sinal para garantir uma contagem consistente.
3.4 Aplicabilidade no Mercado
A aplicação desse sistema em ambientes industriais pode representar uma significativa melhoria no controle de qualidade do processo de envase. Ao identificar quedas de latas de forma automática, é possível reduzir desperdícios de insumos e produtos, além de evitar falhas mecânicas decorrentes do acúmulo ou obstrução na linha.
Mesmo perdas pontuais, como a queda de algumas latas por hora, quando acumuladas em processos que operam 24 horas por dia, podem representar prejuízos financeiros expressivos ao longo do tempo. Justa et al. (2023) destacam que pequenas ineficiências operacionais podem gerar retrabalho e queda de produtividade, sendo necessárias ações como digitalização de processos e automação para mitigar tais perdas.
Alinhado a esse contexto, o sistema proposto permite decisões rápidas e baseadas em dados confiáveis, aproximando a linha de envase dos princípios da Indústria 4.0, que preconiza o uso de sensores inteligentes e monitoramento em tempo real para ganho de eficiência.
4. DESENVOLVIMENTO DO PROGRAMA
4.1 Estrutura Geral do Projeto no Portal TIA
A Figura 1 apresenta a estrutura geral do projeto desenvolvido no TIA Portal V17, com a CPU Siemens S7-1500 utilizada, a organização dos blocos de programa, tabelas de variáveis e bancos de dados.

Figura 1 – Estrutura geral do projeto no TIA Portal
Fonte: Autor (2025).
4.2 Bloco Principal OB1
O OB1 é o bloco executado ciclicamente pelo CLP e contém as chamadas das rotinas principais:
• FC1 — Lógica de contagem de latas
• FC2 — Lógica de controle dos motores
• Outras rotinas definidas no ciclo principal

Figura 2 – Bloco OB1 contendo a chamada das funções principais
Fonte: Autor (2025).
4.3 Função de Contagem — FC1 (1_CONTADOR)
A FC1 implementa a lógica responsável pela contagem das latas processadas, utilizando os sinais dos sensores de entrada e saída.
4.3.1 Declaração de Variáveis do Bloco FC1
Esta seção contém os parâmetros, variáveis internas e saídas da função. Inclui PERDA, TOTAL, variáveis temporárias e a organização do bloco.

Figura 3 – Declaração de variáveis do bloco FC1 (1_CONTADOR)
Fonte: Autor (2025).
4.3.2 Redes da Função FC1
A FC1 é formada por três redes principais.
Rede 1 – Processamento dos Sensores
• Pulso do sensor de entrada (S1) incrementa o contador
• Pulso do sensor de saída (S2) decrementa o contador

Figura 4 – Lógica de incremento e decremento da contagem na FC1
Fonte: Autor (2025).
Rede 2 – Identificação de Perdas
• Compara os valores da entrada e saída
• Aciona a flag PERDA caso haja diferença

Figura 5 – Detecção de perda de latas
Fonte: Autor (2025).
Rede 3 – Contador Totalizado
• Atualiza a variável TOTAL com base no processo

Figura 6 – Contador totalizado de produção
Fonte: Autor (2025).
4.4.1 Declaração de Variáveis da FC2
A interface da FC2 contém as seguintes categorias de variáveis:
• Entradas: comandos, permissivos e sinais de falha.
• Saídas: status de motor ligado, falha, reset, etc.
• Variáveis temporárias (TEMP): auxiliares para o tratamento de lógica.

Figura 7 – Declaração de variáveis do bloco FC2 (2_MOTOR)
Fonte: Autor (2025).
4.4.2 Redes da Função FC2
A função é dividida em três redes principais, uma para cada motor.
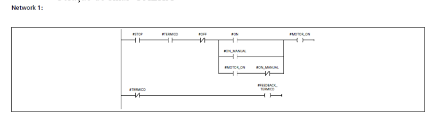
Rede 1 – Controle do Motor 1 (M1)
Lógica contendo:
• partida e parada
• selo
• falha térmica
• escrita das saídas no DB correspondente

Figura 8 – Controle do Motor 1 (M1)
Fonte: Autor (2025).
Rede 2 – Controle do Motor 2 (M2)

Figura 9 – Controle do Motor 2 (M2)
Fonte: Autor (2025).
Rede 3 – Controle do Motor 3 (M3)

Figura 10 – Controle do Motor 3 (M3)
Fonte: Autor (2025).
4.5 Bloco de Função do Motor — FB1 (BLOCO_PADRAO_MOTOR)
O bloco FB1 foi criado com o objetivo de padronizar a lógica de todos os motores do sistema.
Ele concentra as rotinas essenciais de:
• Selo de partida
• Comando de parada
• Lógica de falha
• Sinalização de Motor_ON
• Reset de falhas
• Validação de permissivos
Esse bloco permite que futuros motores sejam adicionados ao processo com mínima alteração estrutural, bastando criar uma nova instância (DB) e chamá-lo na FC2.
4.5.1 Declaração de Variáveis do FB1
A interface do FB1 contém:
• Entradas: CMD_LIGA, CMD_DESLIGA, RESET, PERMISSAO
• Saídas: MOTOR_ON, FALHA
• Variáveis Internas (Static): estados de selo, detecção de borda, condições internas • Variáveis TEMP: auxiliares momentâneas da lógica

Figura 11 – Declaração de variáveis do FB1.
Fonte: Autor (2025).
4.5.2 Lógica Interna do FB1
A lógica interna do FB1 contém as seguintes seções principais:
• Tratamento do comando de partida
• Implementação do selo
• Tratamento da parada
• Lógica de falha internamente
• Geração do sinal “MOTOR_ON”
• Geração do sinal “FALHA”

Figura 12 – Lógica interna do FB1 responsável pelo controle padrão dos motores.
Fonte: Autor (2025).
4.6 Bancos de Dados — DBs
Foram utilizados diversos DBs para armazenar valores estáticos, estados internos e contagens.
4.6.1 DB Geral — DATA_GERAL
O DB DATA_GERAL contém:
• Contador TOTAL
• Contador de PERDA
• Estado das bandeiras internas da FC1
• Armazenamento de valores utilizados na análise da produção

Figura 13 – Banco de dados geral do sistema (DATA_GERAL).
Fonte: Autor (2025).
4.6.2 DBs dos Motores
Cada motor possui seu DB individual, criado automaticamente a partir da instância do FB1.
Os DBs armazenam:
• Estado atual
• Comandos recebidos
• Variáveis internas da lógica
• Status de falha
• Estado do selo
DBs utilizados no projeto:
• MOTOR_DB_1
• MOTOR_DB_2
• MOTOR_DB_3

Figura 14 – Bancos de dados dos motores utilizados no processo.
Fonte: Autor (2025).

Figura 15 – Bancos de dados dos motores utilizados no processo.
Fonte: Autor (2025).

Figura 16 – Bancos de dados dos motores utilizados no processo.
Fonte: Autor (2025).
4.7 Tipo de Dados do Motor — UDT_MOTOR
Para padronização, foi criado um tipo de dados (UDT) específico para o motor. Essa estrutura facilita:
• Replicação da lógica
• Expansão futura
• Manutenção organizada
• Alinhamento dos DBs dos motores
O UDT contém campos como:
• Estados internos
• Comandos de controle
• Flags de falha
• Status de saída

Figura 17 – Estrutura de dados do tipo UDT_MOTOR.
Fonte: Autor (2025).
4.8 Tabelas de Entradas e Saídas
As tabelas de I/O do CLP foram configuradas no TIA Portal e contêm:
Entradas Digitais (I):
• Sensores indutivos
• Sensores de passagem
• Botões de comando
• Sinais de reset
• Condições de segurança
Saídas Digitais (Q):
• Motores M1, M2, M3
• Sinalizações auxiliares
• Saídas de falha ou alarme

Figura 18 – Tabelas de entradas configuradas no CLP.
Fonte: Autor (2025).

Figura 19 – Tabelas de saídas configuradas no CLP.
Fonte: Autor (2025).
3. CONCLUSÃO
O desenvolvimento do programa no TIA Portal V17 permitiu criar um sistema completo de contagem e controle de transporte usando um CLP Siemens S7-1500. A estrutura que foi montada, com blocos como OB1, FC1, FC2, FB1, DBs e UDTs, mostrou ser modular, bem organizada e adequada para aplicações industriais reais.
A função FC1 foi eficiente na contagem das garrafas, lidando corretamente com os sinais dos sensores de entrada e saída, além de identificar situações de perda no processo. O uso de variáveis temporárias e armazenamento no banco de dados geral deixou o processamento mais confiável e estruturado.
Já a função FC2, que controla os três motores, apresentou uma lógica clara e fácil de escalar. Ela utilizou intertravamentos, selo, permissivos e detecção de falhas. A criação do bloco FB1 como padrão para os motores ajudou a padronizar a lógica entre todas as unidades acionadas, facilitando a manutenção, a leitura do código e possíveis expansões do sistema.
O uso de bancos de dados dedicados, junto com o UDT_MOTOR, trouxe mais organização e facilidade na hora de guardar os dados, garantindo que as informações fossem consistentes entre as diferentes partes do sistema.
Assim, o projeto conseguiu alcançar seus objetivos, oferecendo uma solução prática, modular e eficiente para o controle do transporte e da contagem de garrafas. O sistema criado se mostra viável para uso na indústria, podendo ser ampliado ou ajustado conforme a necessidade de novos equipamentos ou etapas na produção.
REFERÊNCIAS BIBLIOGRÁFICAS
AZEVEDO, Hugo César Diniz. Controlador Lógico Programável Aplicado à Indústria 4.0. 2018. 139 f. Dissertação (Mestrado em Ciência, Tecnologia e Inovação) – Universidade Federal do Rio Grande do Norte, Natal, 2018. Disponível em: https://repositorio.ufrn.br/bitstream/123456789/25858/1/HugoCesarDinizAzevedo_DISSERT .pdf. Acesso em: 17 abr. 2025.
MATOS, Emanuel Ferreira; SCHEIDT, Gustavo Viana Leite. Estudo de caso: Indústria 4.0 comprovando rentabilidade da aplicação. 2018. 68 f. Trabalho de Conclusão de Curso (Engenharia de Controle e Automação) – Universidade Tecnológica Federal do Paraná, Ponta Grossa, 2018. Disponível em: https://repositorio.utfpr.edu.br/jspui/bitstream/1/16229/1/PG_COELE_2018_1_01.pdf. Acesso em: 17 abr. 2025.
PATEL, Rajkumar. Design and implementation of PLC based item counting system. International Journal of Creative and Innovative Research in All Studies – IJCIRAS, v. 1, n. 2, 2019. Disponível em: https://www.academia.edu/40118278/. Acesso em: 1 jun. 2025.
JUSTA, A. A.; NASCIMENTO, E. A.; ARAÚJO, R. M. de. Redução de desperdícios em processos produtivos por meio do ciclo PDCA e ferramentas lean. Produção Online, v. 23, n. 3, p. 844–861, 2023. Disponível em: https://www.scielo.br/j/po/a/bhC8h9q7jKtJ3FGnRJgR3vF. Acesso em: 1 jun. 2025.
FERREIRA, C. A.; SOUSA, L. G.; RODRIGUES, D. M. Análise de perdas no processo produtivo e seus impactos na lucratividade: um estudo de caso em uma indústria de bebidas. Revista Gestão Industrial, v. 17, n. 2, p. 30–45, 2021. Disponível em: https://revistas.utfpr.edu.br/gi/article/view/XXXXXX (substituir com link real, se for usar). Acesso em: 1 jun. 2025.
